
XXC-C系列燃氣過濾器*高壓過濾器*高壓燃氣過濾器
XXC-C系列燃氣過濾器*高壓過濾器*高壓燃氣過濾器
產品簡介:
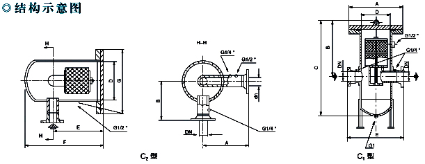
我廠新生產研發的XXG-C系 列軸流式氣體過濾器為反流式過濾器,主要用于各類輸氣管道系統的氣體過濾,保證管路系統設備的正常運行。該系列過濾器過濾面積大,效率高,壓損小,使用安裝簡便。該系列產品分C1型軸式連接(如圖1中C1型)和C2型直角式連接(如圖1中C2型)兩種安裝形式。另外還有G型過濾器、Y型過濾器。
主要技術參數:
設計壓力等級:1.6MPa、2.5MPa、4.0MPa、6.3MPa
額定工作壓力:1.6MPa、2.2MPa、3.2MPa、4.5MPa
過濾精度:5μm、20μm、50μm、100μm



|
XXG-C1型外形尺寸見圖1中C1和表2: |
|
類型 |
DN mm |
DN inch |
A mm |
B mm |
C mm |
D mm |
E mm |
重量 kg |
濾芯 |
|
|
數量 |
|
XXG-C1/40 |
40 |
11/2" |
220 |
220 |
362 |
114 |
215 |
5 |
2" |
1 |
|
XXG-C1/50 |
50 |
2" |
220 |
220 |
362 |
114 |
250 |
5 |
2" |
1 |
|
XXG-C1/65 |
65 |
21/2" |
285 |
230 |
410 |
168 |
320 |
21 |
3" |
1 |
|
XXG-C1/80 |
80 |
3" |
285 |
240 |
410 |
168 |
350 |
30 |
3" |
1 |
|
XXG-C1/100 |
100 |
4" |
340 |
300 |
480 |
219 |
420 |
44 |
4" |
1 |
|
XXG-C1/125 |
125 |
5" |
460 |
360 |
570 |
325 |
600 |
65 |
6" |
1 |
|
XXG-C1/150 |
150 |
6" |
460 |
360 |
570 |
325 |
600 |
123 |
6" |
1 |
|
XXG-C1/200 |
200 |
8" |
460 |
380 |
630 |
325 |
600 |
170 |
8" |
1 |
|
XXG-C1/250 |
250 |
10" |
715 |
620 |
730 |
530 |
900 |
210 |
12" |
1 |
|
XXG-C1/300 |
300 |
12" |
715 |
620 |
730 |
530 |
900 |
210 |
12" |
1 | |
| XXG-C2型外形尺寸見圖1中C2和表3: |
|
類型 |
DN mm |
DN inch |
A mm |
B mm |
D mm |
E mm |
F mm |
G mm |
重量 kg |
濾芯 |
|
類型 |
數量 |
|
XXG-C2/40 |
40 |
11/2" |
150 |
150 |
114 |
220 |
362 |
220 |
5 |
2" |
1 |
|
XXG-C2/50 |
50 |
2" |
150 |
150 |
114 |
220 |
362 |
220 |
5 |
2" |
1 |
|
XXG-C2/65 |
65 |
21/2" |
160 |
160 |
168 |
230 |
410 |
285 |
21 |
3" |
1 |
|
XXG-C2/80 |
80 |
3" |
175 |
175 |
168 |
240 |
410 |
285 |
30 |
3" |
1 |
|
XXG-C2/100 |
100 |
4" |
210 |
210 |
219 |
300 |
480 |
340 |
44 |
4" |
1 |
|
XXG-C2/125 |
125 |
5" |
300 |
300 |
325 |
360 |
570 |
460 |
65 |
6" |
1 |
|
XXG-C2/150 |
150 |
6" |
300 |
300 |
325 |
360 |
570 |
460 |
123 |
6" |
1 |
|
XXG-C2/200 |
200 |
8" |
300 |
300 |
325 |
380 |
630 |
460 |
170 |
8" |
1 |
|
XXG-C2/250 |
250 |
10" |
450 |
450 |
530 |
620 |
730 |
715 |
210 |
12" |
1 |
|
XXG-C2/300 |
300 |
12" |
450 |
450 |
530 |
620 |
730 |
715 |
210 |
12" |
1 |

XXC-C系列燃氣過濾器*高壓過濾器*高壓燃氣過濾器
附:燃氣過濾器說明書 高壓天然氣過濾器說明書 |
|
|
[返回]