
RTZ-H型燃氣調壓器型號包括:RTZ-20H型燃氣調壓器、RTZ-25H型燃氣調壓器、RTZ-50H型燃氣調壓器 另附:RTZ-H型燃氣調壓器說明書
*產品用途:
適用介質:天然氣、人工煤氣、石油液化氣、空氣等。
可用于庭院、樓棟、單元及中小型公共用戶燃氣設備調壓。
*產品特性
1、關閉特性靈敏、調壓精度高 。
2、安裝簡單,使用維護方便。
3、當介質含有硫、苯等腐蝕性物質時,可選用抗腐蝕性材料。
*主要技術參數
·進口壓力P1:0.02~0.8MPa
·出口壓力P2:1~5;5~30kpa
·穩定流量:10 ~25Nm3/h
·穩定精度δP2 :±10%
·關閉壓力Pb≤1.2P2
·工作溫度: -20℃~60℃
公稱管徑:DN20、DN25、DN50

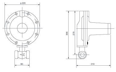
結構示意圖

RTZ-H型燃氣調壓器型號包括:RTZ-20H型燃氣調壓器、RTZ-25H型燃氣調壓器、RTZ-50H型燃氣調壓器
另附:RTZ-H型燃氣調壓器說明書